Hallo,
ich habe mal eine Frage zu folgendem Schaltplan:
http://www.qpic.ws/images/hmvlv.jpg
Was genau soll ich mit dem gelb umrandeten Ding machen? Woher weiß ich, wo das angeschlossen werden soll?
Vielen Dank schonmal 
Hallo,
ich habe mal eine Frage zu folgendem Schaltplan:
http://www.qpic.ws/images/hmvlv.jpg
Was genau soll ich mit dem gelb umrandeten Ding machen? Woher weiß ich, wo das angeschlossen werden soll?
Vielen Dank schonmal 
Das RC Glied soll die Spannungsversorgung Glätten, wird nach dem Spannungsregler der Versorgungsspannung geschaltet.
Hallo,
die beiden Kondensatoren dienen zur Unterdrückung von STörungen auf der Versorgunsgleitung VCC.
Sie sollten möglichst nah an Pin 20 des FT232 angeschlossen werden.
Gruß
JH
Das „Ding“ sind zwei Kondensatoren. C3 ist ein „normaler“ Kondensator mit kleinerer Kapazität (100 Nanofarad, nF) und C4 ist ein Elektrolykondensator mit größerer Kapazität (22 Mikrofarad, µF), beide sind zwischen Plus und Masse angeschlossen. Der Elektrolytkondensator (kurz Elko) dient normalerweise dazu, die Versorgungsspannung ein wenig zu puffern, wenn sie mal etwas schwanken sollte. Dieser Kondensator kann im Prinzip irgendwo untergebracht werden. Manchmal nennt man so ein Element auch Glättungskondensator.
Der kleinere hat den Zweck, kürzere Schwankungen der Versorgungsspannung abzufangen, die dadurch hervorgerufen werden können, dass der integrierte Schaltkreis (IC1) mal kurzzeitig mehr Strom zieht. Er sollte daher in der Nähe der Plus- und Massepins von IC1 liegen. Kondensatoren mit diesem Zweck werden Abblockkondensatoren genannt. Hierfür werden gewöhnlich Keramikkondensatoren verwendet.
Bei Kondensatoren muss man neben der Kapazität (in Nano- oder Mikrofarad) im Wesentlichen auf die sog. Nennspannung achten. Hier scheint es sich um eine USB-Schaltung zu handeln, daher ist die Betriebsspannung 5V. Als Nennspannung sollte dann 6,3V ausreichen, das ist die nächsthöhere erhältliche Spannung.
Was mich allerdings irritiert: Der Kondensator C1 ist ebenfalls zwischen + und Masse geschaltet. C2 kann abhängig von Brücke SJ1 auch dort liegen. Hilfreich wäre sicherlich ein Layout oder ein Foto der fertigen Schaltung… oder such einfach mal nach dem Baustein FT232RL, da gibt es haufenweise Schaltungsbeispiele.
Vielen Dank schonmal für euere Antworten! Die Erklärung fand ich schon mal sehr gut.
Mein Problem ist, dass ich gerade mit Abblock- Glättungskondensatoren so meine Probleme habe.
Die kommen zwar ständig vor, aber ich versteh immernoch nicht warum/wann/wo man die anbringen muss.
Und dann kam jetzt noch dazu, dass ich vorher noch nie (also seit ~1 Woche
)einen Plan gesehen habe, wo solche „Blöcke“ frei rumfliegen.
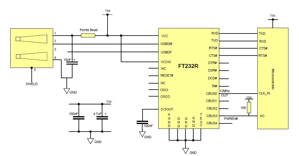
Der erste Schaltplan war vielleicht nicht so geschickt, ich hänge jetzt nochmal einen Plan vom Datasheet des FT232 dran den ich konkret meine. Habe jetzt auch noch auf die Schnelle meine „Interpretation“ der Schaltung, bzw des für mich unklaren Teils davon, gemacht. Die ist jetzt sicher noch sehr ungeschickt gemacht, aber habe grad nur wenig Zeit und will erstmal überhaupt hinbekommen, dass meine Verbindungen grundsätzlich stimmen 
Vielen Dank nochmal:smile:
Originalplan: http://www.qpic.ws/images/usbb.jpg
„Interpretation“: http://www.qpic.ws/images/output.png
Sorry, leider nicht mein Fachgebiet.
Die Kondensatoren dienen zur Stabilisierung der Spannung und sollten an Vcc (in der Schaltung angegeben ) angeschlossen werden, also beide Vcc Punkte und natürlich auch die Massepunkte verbinden.